• Pressure Sensor, Pressure Transducer, Pressure Transmitter
PT124B-281
PT124B-281.

Anti-corrosive explosion proof pressure transmitter

Model:PT124B-281

Description:

The anti-corrosive explosion proof pressure transmitter designed with flameproof structure, it is suitable for outdoor installation, LCD display optional, the wetted parts adopts material of 316L, hastelloy alloy or F4.

Send inquiry Download PDF

  • High accuracy, high stability
  • Explosion proof grade ExibllCT4
  • Local LCD display

This series product is suitable for the occasion of chemical fiber, environmental protection, medicine, industrial control and etc. It is used to measure the pressure or height of the liquid level of corrosive medium, such as acid, alkaline and so on.

Pressure range -1~0~1bar; 0-1bar~0-2000bar
Over load 150%FS
Burst pressure 300%FS
Output 4-20mA
Power supply 12~36VDC
Response time <5ms
Combine error 0.5% FSO(Including Linearity, Repeatability & Hysteresis)
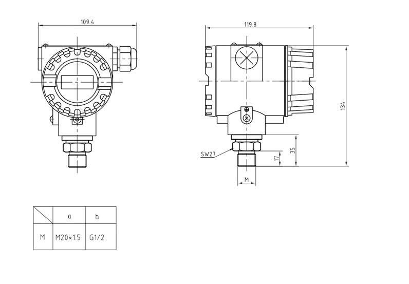
Pressure connection M20×1.5, G1/2 , G1/4 ,1/2NPT ( customer tailor )
Operating temperature -20℃ ~ 85℃
Temperature compensation 0℃ ~ 60℃
Electrical connector Terminal Block
Explosion proof grade ExiallCT4