• Pressure Sensor, Pressure Transducer, Pressure Transmitter
PT124B-283
PT124B-283.

PT124B-283 flush type explosion proof pressure transmitter

Model:PT124B-283

Description:

PT124B-283 flush type explosion proof pressure transmitter, it designed with flameproof structure, pass EXibIICT4, according with standard of GB3836.1-2000 and GB3836.4-2000. And it comes with flush diaphragm, solves the problems during the measurement that the pressure port is easily blocked. The protection class of the transmitter house is IP65, it is suitable for outdoor installation, LCD display optional, make it easy to read value directly. With its high performance, this series product can interchange some high-grade pressure transmitters, for high precision measurement and control.

Send inquiry Download PDF

  • Diaphragm design
  • High accuracy, high stability
  • Explosion proof grade ExibllCT4
  • Local LCD display

This series product is suitable for polyurethane device, papermaking, paint, medical pharmacy, food & beverage machine.

Pressure range -1bar…0…1bar, 0…1bar…1000bar
Over load 150%FS
Burst pressure 300%FS
Output 4-20mA
Power supply 12~36VDC
Response time <5ms
Combine error 0.5% FSO(Including Linearity, Repeatability & Hysteresis)
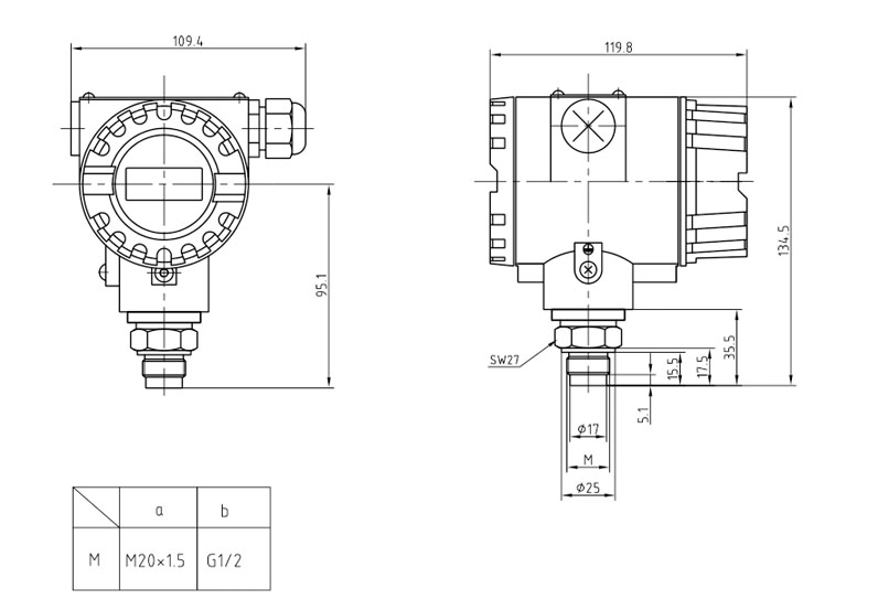
Pressure connection M20×1.5, G1/2 , G1/4, 1/2NPT ( customer tailor )
Operating temperature -20℃ ~ 85℃
Temperature compensation 0℃ ~ 60℃
Electrical connector Terminal Block
Explosion proof grade ExiallCT4